Skip to product information

Acura TL 2009-2012 Service Workshop Manual

Acura TL 2009-2012 Service Workshop Manual

Regular price $13.00
Regular price $13.00 Sale price $26.00
SAVE 50% Sold out
  • American Express
  • Apple Pay
  • Diners Club
  • Discover
  • Google Pay
  • Mastercard
  • PayPal
  • Visa

Acura TL 2009-2012 Service Workshop Manual

Regular price $13.00
Regular price $13.00 Sale price $26.00
SAVE 50% Sold out

Comprehensive Workshop Service Repair Manual For Acura TL 2009-2012

Language: English

Engines: All Engines

Format: PDF (Instant Download)

Contents:

  • Body
  • Brakes
  • Cooling
  • Dashboard
  • Driveshaft
  • Electrical
  • Engine
  • Fuel & Emissions
  • General Info
  • HVAC
  • Maintenance
  • Special Tools
  • Specifications
  • Steering
  • Suspension
  • Transaxle
  • Transmission
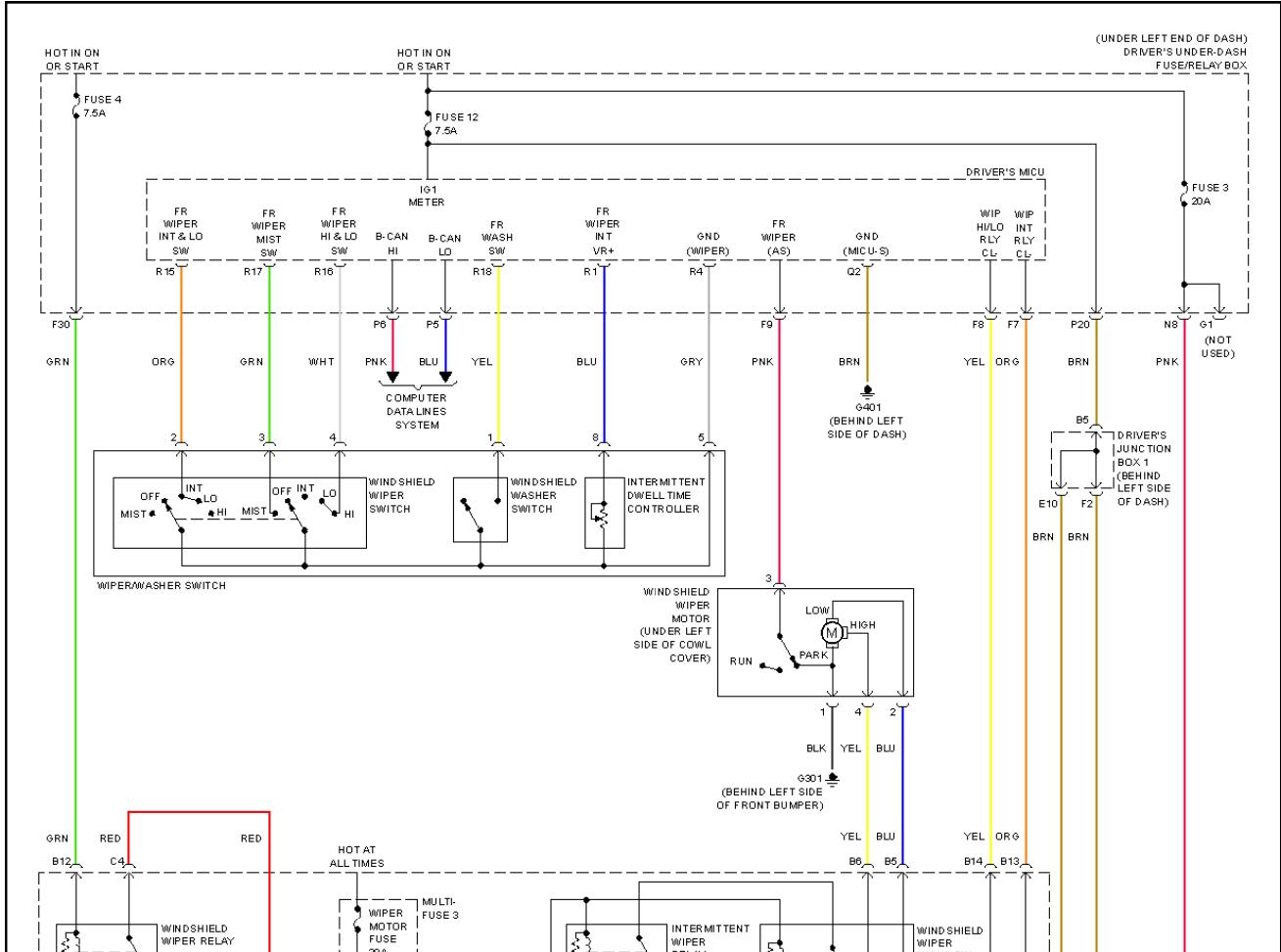
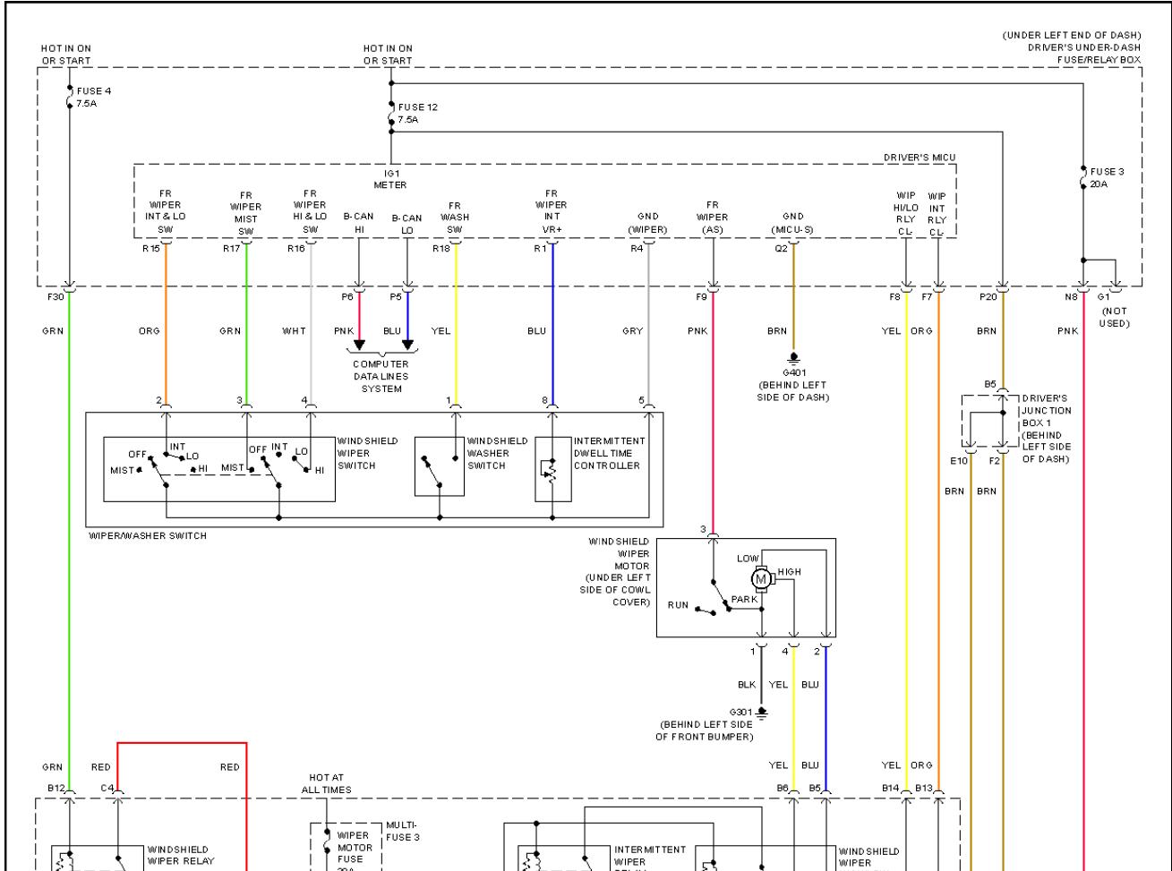
  • Wiring Diagrams 

Instant Download- Delivered via Email

View full details

This digital service and repair manual provides comprehensive technical information, detailed diagrams, and step-by-step procedures required to perform maintenance, diagnostics, and repairs with confidence. Designed for both professional technicians and hands-on owners, it delivers the accuracy and depth needed for proper servicing.

Each section is clearly organized for fast reference, guiding you through inspection, troubleshooting, disassembly, component replacement, and reassembly with precise, easy-to-follow instructions. Whether handling routine maintenance or advanced repair tasks, this manual helps ensure work is completed efficiently and to proper specifications.

Fully compatible with computers, tablets, and smartphones, this digital format allows you to search, zoom, and print only the pages you need—saving time, space, and effort in any workshop or garage.

Instant Digital Download
Your manual is available immediately after purchase. No shipping, no delays—download instantly and get to work right away.

DIY and Technician Friendly🔧

Instant Download ⬇️

Detailed Repair & Diagnostic Coverage ✅

DIY and Technician Friendly🔧

Instant Download ⬇️

Detailed Repair & Diagnostic Coverage ✅

DIY and Technician Friendly🔧

Instant Download ⬇️

Detailed Repair & Diagnostic Coverage ✅

DIY and Technician Friendly🔧

Instant Download ⬇️

Detailed Repair & Diagnostic Coverage ✅

DIY and Technician Friendly🔧

Instant Download ⬇️

Detailed Repair & Diagnostic Coverage ✅

DIY and Technician Friendly🔧

Instant Download ⬇️

Detailed Repair & Diagnostic Coverage ✅

DIY and Technician Friendly🔧

Instant Download ⬇️

Detailed Repair & Diagnostic Coverage ✅

DIY and Technician Friendly🔧

Instant Download ⬇️

Detailed Repair & Diagnostic Coverage ✅

DIY and Technician Friendly🔧

Instant Download ⬇️

Detailed Repair & Diagnostic Coverage ✅

DIY and Technician Friendly🔧

Instant Download ⬇️

Detailed Repair & Diagnostic Coverage ✅

DIY and Technician Friendly🔧

Instant Download ⬇️

Detailed Repair & Diagnostic Coverage ✅

DIY and Technician Friendly🔧

Instant Download ⬇️

Detailed Repair & Diagnostic Coverage ✅

Smart Repairs, Less Cost

Cut repair costs and ditch the paper clutter. Access streamlined, all-in-one digital manuals designed for efficiency and ease.

  Others

Instant Download Access

Searchable Repair Information

No Physical Storage Needed

Frequently Asked Questions

Are these manuals digital or printed?

All manuals in our store are delivered digitally as downloadable files (PDF format). This allows you to access them instantly and use them on any device.

How do I receive my manual after purchase?

Once your payment is confirmed, you will receive an email with a secure download link. You can also access your manual directly from your order confirmation page.

What if I can’t find the manual I need?

If you don’t see the manual for your specific vehicle or equipment, feel free to contact us. We may be able to locate it or add it to our catalog.

Do I need special software to open the manual?

No special software is required. Most devices can open PDFs using free programs like Adobe Acrobat Reader or built-in browser viewers.